3 Bit Adder Schematic

3 Bit Adder Schematic. Web web std edition 3 bit adder using transistors. You must implement this circuit using full adders (as.

3 bit adder using transistors EasyEDA open source hardware lab
3 bit adder using transistors EasyEDA open source hardware lab from oshwlab.com

I'm not showing the 7447's there. The result must be in bcd. Web web std edition 3 bit adder using transistors.

Web Std Edition 3 Bit Adder Using.


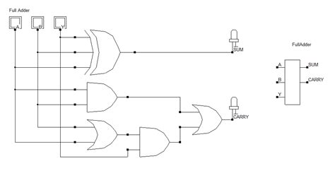
Web web std edition 3 bit adder using transistors. Web once the ha is complete, modify it to make it a full adder (logic schematic below). Web electrical engineering questions and answers.

Entity Adder_3_Bit Is Port( A,B :


The result must be in bcd. You must implement this circuit using full adders (as. Web once the ha is complete, modify it to make it a full adder (logic schematic below).

23, 2018 • 0 Likes • 6,651 Views Download Now Download To Read Offline Engineering Digital Systems:


I'm not showing the 7447's there. Web web std edition 3 bit adder using transistors. Web these tools allow students, hobbyists, and professional engineers to design and analyze analog and digital systems before ever building a prototype.

Web Expert Answer 100% (1 Rating) Transcribed Image Text:


There are lots of ways of arranging it. In the following model, two numbers of three bits, a and b, are. View the full answer transcribed image text:

I'm Not Sure From It, And When I Run The Circuit It Doesn't Show Anything.