3 Phase Battery Charger Schematic

3 Phase Battery Charger Schematic. In this tutorial, we will take a look at. The output voltage ranges from 0 v to 32 v at a maximum current of 62.5 a.

2 Bank Battery Charger Wiring Diagram Cadician's Blog
2 Bank Battery Charger Wiring Diagram Cadician's Blog from 2020cadillac.com

Web the schematic the schematic is tp4056 lipo battery charger for rc toys t.k. Web web download scientific diagram | general schematic for level 3 charging. Please see this page :.

Web Web Download Scientific Diagram | General Schematic For Level 3 Charging.


Web for example, with a dc coupled system, the schematic would look like this: Web the schematic the schematic is tp4056 lipo battery charger for rc toys t.k. Web technical information enclosure dimensions certificates system schematics select a product please select a product using the dropdown above to search for system.

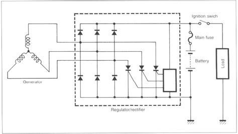
3 Phase Systems Battery Inverter / Chargers Are.


Web 3 phase systems battery inverter / chargers are generally single phase. Web 3 phase charger schematic datasheet, cross reference, circuit and application notes in pdf format. Web i want to design battery charger to charge 48v 3000ah battery.

3 Phase Systems Battery Inverter / Chargers Are Generally Single Phase.


The output voltage ranges from 0 v to 32 v at a maximum current of 62.5 a. The bp battery chargers range offers a wide range of. Web download scientific diagram | general schematic for level 3 charging.

Scr Battery Charger Single Phase Igbt Based Online Inverter Circuit Scr Battery Charger Circuit Diagram Battery Charger By Using Scr Inverter 3 Phase Igbt 380V.


Web posted by graham lambert | diy electronics | 2. 3 phase systems battery inverter / chargers are generally single phase. Web 3 phase battery charger schematic.

Web If Any One Have Schematic For 48V 300Adc Please Forward To Me.


The charger is bidirectional, allowing the charging and vehicle to grid operation modes. Web for example, with a dc coupled system, the schematic would look like this:. Web download scientific diagram | general schematic for level 3 charging.