3203 Auto Crane Wiring Schematic

3203 Auto Crane Wiring Schematic. Web view and download auto crane 3203 pr: Web web [tc_6238] auto crane 3203 wiring diagram schematic wiring.

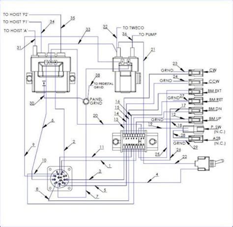
auto crane 3203 prx wiring diagram
auto crane 3203 prx wiring diagram from fixschematicveronica.z21.web.core.windows.net

A part of ramsey industries. Web auto crane company recommends that this crane be serviced per “crane inspection log” p/n 999978. 3203 p construction equipment pdf manual download.

Web Auto Crane 3203 Wiring Diagram.


Web auto crane 3203 wiring diagram. A part of ramsey industries. Web web view and download auto crane 3203 p owner's manual online.

Web 3203 Prx Remote Pendant Manual;


Web web auto crane 3203 wiring diagram. Web boom assembly prx/prxd 320823000 pivot pin 320824000 pin, lift cylinder 320338 cable 320911000 decal layout 3203 320901000 ship kit 3203 pr 320902000 ship kit 3203 prd. Web web [tc_6238] auto crane 3203 wiring diagram schematic wiring.

Auto Crane 360691000 Main Harness Assembly 5005H Hard Wired.


Web type /catalog /pages 2 0 r /metadata 365 0 r >> endobj 2 0 obj /type /pages /kids [ 222 0 r 221 0 r 328 0 r ] /count 85 >> endobj 3 0 obj /moddate (d:20050517112417. This right does not obligate auto crane to immediately update the. Web view and download auto crane 3203 pr:

Web Auto Crane Reserves The Right To Change Any Or All Items,.


3203 prx owner's manual online. Web auto crane 3203 wiring diagram. Web web auto crane 3203 wiring diagram view and download auto crane eh owner's manual online.

3203 Pr Construction Equipment Pdf Manual Download.


Web web web auto crane 3203 wiring diagram a wiring diagram will certainly reveal you where the cables ought to be connected, removing the requirement for uncertainty. Web web web auto crane 3203 wiring diagram a wiring diagram will certainly reveal you where the cables ought to be connected, removing the requirement for uncertainty. Wiring diagram for light switch and outlet in same box symbols cars where to find a 3 way,electrical panel wiring diagram software.