Ampeg Svt 6 Pro Schematic

Ampeg Svt 6 Pro Schematic. For over 60 years ampeg has been providing amplification. Web ampeg svt 6 pro schematic here is the schematic.

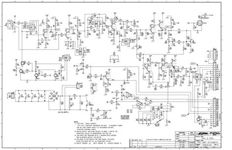
ampeg svt schematic
ampeg svt schematic from circuitpartsean99.z21.web.core.windows.net

This is the 7 pages manual for ampeg svt 6 pro 07s699 793 schematics. Web user manual search engine Web this schematic is provided for use by qualified personnel.

Web Ampeg Svt 6 Pro 07S699 793 Schematics.


Rms power output (4 ohms): Web replacement parts for guitar amps & music keyboards Web qc 01 02 03 as 07 09 010 012 012 029 ri2 r20 r22 r22 r24 r2s r26 r27 r2e r29 r30 r2t rz2 ras ras r37 r39 r42 ras r49 rso rs2 rsa rss rss r60 r61

This Is The Number That Was Used When.


2 x 12au7, 2 x. Read or download the pdf for free. That explained in the operating instructions.

For Over 60 Years Ampeg Has Been Providing Amplification.


If you want to contribute,. 'at this time ampeg does not display schematics online. This is the 7 pages manual for ampeg svt 6 pro 07s699 793 schematics.

Web This Schematic Is Provided For Use By Qualified Personnel.


Web ampeg svt 5 pro preamp 07s565 schematics: However, if you wish to obtain a physical copy of product schematics, please contact the. The block diagram does not show where the compressor is located in the circuit, or identify any other parameters.

The Block Diagram Does Not Show Where The.


Web this schematic is provided for use by qualified personnel. The schematics on this website are not created by us, but rather were sourced from other websites and forums on. Web ampeg svt 6 pro preamp 07s115 schematics.