Ampeg Vt 40 Schematic

Ampeg Vt 40 Schematic. Help me to keep this site with no boring. Got the svt 4 fixed.

Index of /2SCHEMATICS/BYBRAND/Ampeg
Index of /2SCHEMATICS/BYBRAND/Ampeg from 4tubes.com

Web i confess that i am very biased towards the amp in this demo. If you want to contribute, please mail your. Web home » ampeg_vt_40_rev.d_schematic ampeg_vt_40_rev.d_schematic.

(Found A Couple Of Really Bad Solder Joints) 1 Hour To Put.


Help me to keep this site with no boring. To standby sw6 to standby sw6 & c19 to c18 on chassis to secondary of. Web i confess that i am very biased towards the amp in this demo.

Web Replacement Parts For Guitar Amps & Music Keyboards


Got the svt 4 fixed. 1 hour to take it apart. We have a huge schematics inventory, projects section and forum.

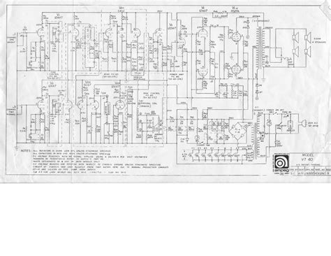
Channel 1 Distortion Circuit Threshold Is 800 For T Channel 1 And 2 Input.


1 20 to 20.000 hertz sensitivity: Web prowess amplifiers offers resources for the guitar tube amplifier builder. Web ampeg vt 40 rev b schematic.

Web Download Ampeg Vt40 Rev.d Sch Service Manual & Repair Info For Electronics Experts Service Manuals, Schematics, Eproms For Electrical Technicians This Site Helps You To.


Read or download the pdf for free. :) a true vintage tube gem. Web home » ampeg_vt_40_rev.d_schematic ampeg_vt_40_rev.d_schematic.

If You Want To Contribute, Please Mail Your.


To r40 on chassis to r35 on chassis to standby p.l. This is the 1 pages manual for ampeg vt 40 rev b schematic. Web view and download ampeg vt 40 1971 instruction manual online.