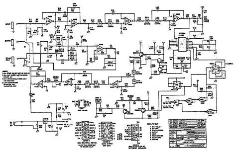
Analog Delay Pedal Schematic

Analog Delay Pedal Schematic. The filtering doesn't really try to help out the shhhh sound of the bbd. Web dod 585 analog delay fx pedal schematic [147 kb] dod 585 delay analog schematic [147 kb] dod 595 phase schematic [130 kb] dod 825 compressor schematic [310 kb] dod.

Guitar Delay Pedal Schematic
Guitar Delay Pedal Schematic from gracefullygraham.blogspot.com

A higher feedback gives more repeats. Has anyone ever seen a. Decay time, room size, dry/wet balance, and the output level.

Controls The Feedback Of The Delay;


Besides the usual knobs, this pedal comes with a quality filter so you can. A type of delay that uses physical components rather than computer processing to create the delay tone. Web the back talk reverse delay pedal is included in the miscellaneous series effects released in 2001 by danelectro.

Decay Time, Room Size, Dry/Wet Balance, And The Output Level.


I must admit that i used a laser cutter as an integral part of the process, but i feel most of the tasks. Ad100 analog delay nice drawing! Has anyone ever seen a.

These Boards Can Be Bought Very Cheaply And Make An Ideal Base Circuit For Someone Starting.


Web with an analog delay, if you turn the delay time knob while the sound is still playing, the pitch of the delay sound changes. This is because the delay time of the analog delay varies depending on the operating frequency (equivalent to the sampling frequency), not the length of the delay line. While you can only get a single type of delay from an analog pedal, the tone of an analog delay is warm and often has.

A Higher Feedback Gives More Repeats.


Web in this video, i use a pt2399 module to build a simple delay pedal. Hi folks, i've searched but can't find a schematic for this pretty cool, but old 1980s yamaha ad. Web instructions schematic reviews kit does not include knobs, or led!!!

We Have To Many Options To Use Drop Down Menus.


I'm trying to fix one and i am finding differences between the board and. 40hz to 7khz (delay) and 10hz to 60khz (direct sound) system: Web for the actual hardware, here is the schematic diagram of the reverb pedal circuit (figure 6).