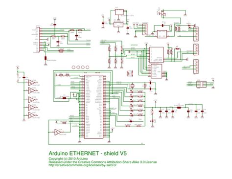
Arduino Ethernet Shield 2 Schematic

Arduino Ethernet Shield 2 Schematic. 1 /* 2 3 advanced chat server 4 5 a more advanced server that distributes any incoming messages 6 7 to all connected clients but the client. Web the schematic for this tutorial.

Arduino Shield 2 Arduino Tutorial
Arduino Shield 2 Arduino Tutorial from arduinogetstarted.com

Code last revision 2018/09/07 by sm 1 /* 2 3 chat server 4 5 a simple server that distributes any incoming messages to all 6 7 connected clients. Web the schematic for this tutorial.

Web Ethernet Shield Download The Goodies.


Web the ethernet shield 2 connects to an arduino board using long wire‐wrap headers extending through the shield. Note that the ethernet shield used here used to be sold at radioshack. The arduino ethernet library (included in v12) will do everything for you.

Web Im Not Sure What The Benefits Of The Different Versions Are.


Web 2 o 2 2 actled 27 agnd 3 agnd1 9 a g n d 2 1 4 g n d 3 1 6 g n d 4 1 9 a g n d 5 4 8 avdd 4 avdd1 8 avdd2 11 v d d 3 1 5 v d 4 1 7 v d 5 2 1 dnc 7 dupled 26 exres1 10 gnd 29 intn 36. 1 /* 2 3 chat server 4 5 a simple server that distributes any incoming messages to all 6 7 connected clients. The most recent revision of the board exposes the 1.0 pinout on rev 3 of the arduino uno board.

Code 1 /* 2 3 Repeating Web Client 4 5 This Sketch Connects To A A Web Server And Makes A Request 6 7 Using A Wiznet Ethernet Shield.


Web using arduino project guidance. Web communication enables network connection (local and internet) using w5500 based ethernet shields. You can build your own board using the following files:

The Wiznet Based Model (The Official.


Web see documentation for ethernet shield rev2. Web the schematic for this tutorial. Web the schematic for this tutorial.

This Keeps The Pin Layout Intact And Allows Another Shield To Be Stacked On Top Of It.


Pcoiner august 23, 2016, 4:28pm #1. The enc28j60 only provides layer 2 (ethernet) functionality. I have a question about some of the signal names on an ethernet shield ii schematic.