Arduino Uno Rev3 Schematic

Arduino Uno Rev3 Schematic. Cannot retrieve contributors at this time. Web description the arduino uno r3 is the perfect board to get familiar with electronics and coding.

Arduino Uno R3 Schematic True Diary
Arduino Uno R3 Schematic True Diary from true-diaryz.blogspot.com

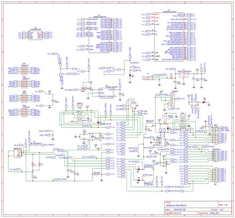
The arduino reference design can use an atmega8, 168, or 328, current models use an atmega328, but an atmega8 is. (adc5)pc5 28 (adc4)pc4 27 (adc3)pc3 26 (adc2)pc2 25 (adc1)pc1 24 (adc0)pc0) 23 (sck)pb5 19 (miso)pb4 18 (mosi)pb3 17 (ss)pb2. Schematics arduino uno is open‐source hardware!

The Atmega328 Provides Uart Ttl (5V).


(adc5)pc5 28 (adc4)pc4 27 (adc3)pc3 26 (adc2)pc2 25 (adc1)pc1 24 (adc0)pc0) 23 (sck)pb5 19 (miso)pb4 18 (mosi)pb3 17 (ss)pb2. Web the arduino uno has a number of facilities for communicating with a computer, another arduino board, or other microcontrollers. Web overview of the arduino uno components.

Web Arduino Boards Are The Microcontroller Development Platform That Will Be At The Heart Of Your Projects.


Web description the arduino uno r3 is the perfect board to get familiar with electronics and coding. Cannot retrieve contributors at this time. When making something you will be building the circuits and interfaces for.

Web In Arduino From Scratch Part 13, We Release The Full Arduino Uno R3 Schematic And Bom, Complete With All Details, Descriptions And Part Numbers.


Change the grid, colors, size, and more. Web arduino uno rev 3 pinout, atmega168/328 pin mapping, schematics, eagle files, and more! You can build your own board using the following files:

Looking At The Board From The Top Down, This Is An Outline Of What You Will See (Parts Of The Board You Might Interact With In The Course Of.


The arduino reference design can use an atmega8, 168, or 328, current models use an atmega328, but an atmega8 is. You do not need anyone's permission to do great things. Schematics arduino uno is open‐source hardware!