Baofeng Uv 5R Schematic

Baofeng Uv 5R Schematic. Web free download schematic diagram baofeng uv5r april 23, 2021. Here you will find user manuals, device drivers and softwares for a.

Isarapon [Download 29+] Schematic Baofeng Uv 5r
Isarapon [Download 29+] Schematic Baofeng Uv 5r from isaranon.blogspot.com

Web baofeng uv5r headset pinout. Has 3 pf capacitor at tap point. Web free download schematic diagram baofeng uv5r april 23, 2021.

Web More And More People Choose Gmrs Radios As Their Communication Tool.


Web schematic diagram for the baofeng uv5r ht uploaded by rigreference pdf, unknown size click to download. And all variants of the uv5r. Here you will find user manuals, device drivers and softwares for a.

Web Free Download Schematic Diagram Baofeng Uv5R April 23, 2021.


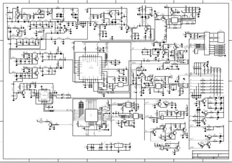
Tap point 11 turns up from base. 0 2,697 less than a minute. Web 1 1 2 2 3 3 4 4 5 5 6 6 7 7 8 8 d d c c b b a a title size num ber rev ision a2 date:

Including Uv5R / Bff8 / Gt3.


1 1 2 2 3 3 4 4 5 5 6 6 7 7 8 8 d d c c b b a a title number revision size a2 date: Dedicated to the programming and operation of the. Has 3 pf capacitor at tap point.

This Document Is Related To The Following Rigs.


Web baofeng uv5r headset pinout.