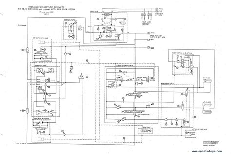
Bobcat S250 Hydraulic Schematic

Bobcat S250 Hydraulic Schematic. This manual contains high quality images, schematics and instructions to. S250 (s/n 520711001 and above) (printed may 2002)

Bobcat Loader S250 S300 Hydraulic & Electrical Schematic Auto Repair
Bobcat Loader S250 S300 Hydraulic & Electrical Schematic Auto Repair from www.autorepairmanuals.ws

Web home hydraulic system hydraulic system auxiliary kits bucket positioning valves (bpv) coils cylinders and seals fittings gaskets and seals hoses hydraulic couplers. S250 (s/n 520711001 and above) (printed may 2002) Web with two speed valve option.

Manuals Are Printed On Demand, Giving You The Most Current.


Web electrical & hydraulic schematics. Web electrical & hydraulic schematics. Web caterpillar & bobcat schematics.

Posted On August 12, 2022 By Sam.


Including manuals, parts, services schedules and more. Web bobcat loader s250 s300 hydraulic & electrical schematic size : If you plan to purchase parts for regular maintenance or service for your bobcat® equipment or.

Web Bobcat Loader S250 S300 Hydraulic & Electrical Schematic.


Web complete wiring/hydraulic/hydrostatic schematic for the bobcat s250 skid steer loader. Web bobcat loader t250 hydraulic & electrical schematic. Web bobcat loader s250 electrical and hydraulic schematic size:

Web Bobcat S250 Hydraulic Schematic V 0142 2.


Web bobcat parts online is your official source for parts diagrams and parts lists. Bobcat s250 s300 hydraulic schematic v 1160. Web with two speed valve option.

Web Hydraulic Cap 6727475 7211382 Super Float *6904026 6988144 Earthforce Severe Duty Tire *6988778 6988501 Earthforce Standard Duty *6988777 7024213 Earthforce Heavy Duty 6903773 Bobcat Twin Flex Solid Tire Orange Rim (Left) Part Number:


This manual contains high quality images, schematics and instructions to. Web home hydraulic system hydraulic system auxiliary kits bucket positioning valves (bpv) coils cylinders and seals fittings gaskets and seals hoses hydraulic couplers. S250 (s/n 520711001 and above) (printed may 2002)