Boss Blues Driver Schematic

Boss Blues Driver Schematic. Discover its main features, panel descriptions, operating instructions, and battery. Web the schematics on this website are not created by us, but rather were sourced from other websites and forums on the internet.

Boss Bd2 Blues Driver Schematic telemediaget
Boss Bd2 Blues Driver Schematic telemediaget from telemediaget763.weebly.com

0 ratings 0% found this. My 1st attempted was based mainly on someone's post of the. Since the i have included the capitance multiplier components in the power section i think i used the factory schematic.

Since The I Have Included The Capitance Multiplier Components In The Power Section I Think I Used The Factory Schematic.


This popular pedal provides instant access to the kind of warm. Charted on a spreadsheet and looked for similarities. Web boss blues driver schematic by demian1sanputta.

My 1St Attempted Was Based Mainly On Someone's Post Of The.


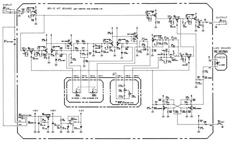
Web looking at the schematic we see that it is essentially two cascaded discrete opamps, which are then followed by a standard opamp for gain recovery, bass boosting,. Web published august 03, 2019 by andy perrin. 0 ratings 0% found this.

Web #1 I Have A Blues Driver Laying Around That Im Not Very Happy With The Sound.


Discover its main features, panel descriptions, operating instructions, and battery. Web came up with something like 8 different versions. Web download schematics& owner's manual for boss bd 2, blues driver | visit synthxl for service, schematics & owner's manual.

Web The Perfect Tone For Blues.


Boss bd 2 blues driver. Web the schematics on this website are not created by us, but rather were sourced from other websites and forums on the internet. Web c7 appears twice, one in the wrong place in the cut down schematic of the bd2 tone stack as a 0.047uf (should be c35), and on the official boss schematic after.

This Popular Pedal Provides Instant Access To.


Web learn how to use the boss blues driver guitar with this owner's manual. Web it uses two fets facing each other followed by a bipolar transistor.