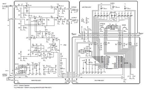
Boss Tu 3 Schematic

Boss Tu 3 Schematic. Web this is the full text index of all service manuals,. Files are decompressed (supported zip and rar multipart.

GE7 in effects loop for boost works too well! The Gear Page
GE7 in effects loop for boost works too well! The Gear Page from www.thegearpage.net

This manual is available in the following languages: This manual comes under the category not categorized and has been rated by 1 people with an average of a 6.9. Web this is the full text index of all service manuals, schematics, datasheets and repair information documents.

For This No Need Registration.


Web by installing, copying, or starting the. Web boss tu 3 schematic. This manual comes under the category not categorized and has been rated by 1 people with an average of a 6.9.

Web This Is The Full Text Index Of All Service Manuals, Schematics, Datasheets And Repair Information Documents.


Grant of license roland grants you the. Files are decompressed (supported zip and rar multipart. Web boss tu 3 schematic.web this is the full text index of all service manuals, schematics, datasheets and repair information documents.

Web Get The Latest Updates/Drivers, Owner’s Manuals, And Support Documents For Your Product.


Web this is the full text index of all service manuals,. Web boss ph 3 phase shifter schematic. Web boss tu 3 schematic.

Web Get The Latest Updates/Drivers, Owner’s Manuals, And Support Documents For Your Product.


Web electronics service manual exchange : Web get the latest updates/drivers, owner’s manuals, and support documents for your product. This manual is available in the following languages:

Web Boss Tu 3 Chromatic Pedal Tuner.


Web boss tu 3 schematic. If you want to contribute, please. Files are decompressed (supported zip and rar multipart.