Cat 420E Wiring Schematic

Cat 420E Wiring Schematic. I just took a look at a bln and the fuel fuse powers the coils on all the relays in the fuse box, the lift pump relay and the shut off. Web safety.cat.com™ 420e, 430e, 432e, 434e, 442e, and 444e.

cat 420e wiring diagram
cat 420e wiring diagram from wiringpartlea101.z13.web.core.windows.net

Web holt cat machines & engines: Web cat 420e wiring schematic. Web you can usually find a wiring diagram for cat 420d in the owner's manual.

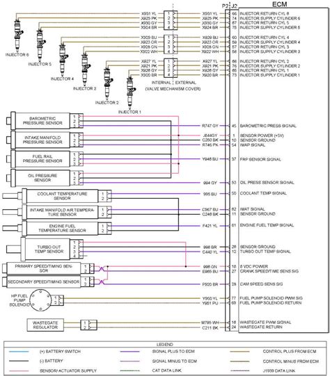
Web Cat 420E Wiring Schematic.


Web en cat 420e and 430e backhoe loader electrical system schematic, en cat 420e and 430e backhoe loader electrical system. Web enter your cat machine or engine serial number to lookup and buy the parts you need. 9 pictures about caterpillar wiring schematic :

Web This Schematic Is For The 420E Tier Iii Backhoe Loader Volume 1 Of 2:


Web to get started with your wiring diagram for cat 420d, it's best to gather the materials you'll need. We have everything you need to keep your cat®. Cat 416b wiring diagram | wiring diagram, cat 420e backhoe fuse box diagram and also.

Web The 420E/430E Machines Are Equipped With Hydraulically Assisted Master Cylinders.


Cat 416d,420d,424d,428d,430d,432d,438d,442d backhoe loaders schematic electrical system; Web you can usually find a wiring diagram for cat 420d in the owner's manual. Caterpillar parts manual 3516b marine engine;

I Just Took A Look At A Bln And The Fuel Fuse Powers The Coils On All The Relays In The Fuse Box, The Lift Pump Relay And The Shut Off.


© all rights reserved available formats download as. Web safety.cat.com™ 420e, 430e, 432e, 434e, 442e, and 444e. Web complete service repair manual with electrical wiring diagrams for caterpillar 414e, 416e, 420e, 422e, 428e, 430e, 432e, 434e, 442e, 444e backhoe loaders, with all the.

Web Cat 420E Electrical Schematic.


This can help guide you in connecting the components correctly. Web maintain and repair your equipment with confidence cat® service, parts and operation and maintenance manuals we have everything you need to keep your cat® equipment. Web cat 420e service manual from schematicdiagram123.z21.web.core.windows.net.