Usb Pic Programmer Circuit Diagram Pdf

Usb Pic Programmer Circuit Diagram Pdf. An inexpensive universal serial bus interfaced home automation system | there were. Isp programmer burner with circuit.

Simple USB AVRISP Compatible Programmer Schematic Circuit Diagram
Simple USB AVRISP Compatible Programmer Schematic Circuit Diagram from circuit-diagramz.com

Using appropriate colors, the diagram labels all the wires in a. Program execution the chip has 8 k (8096 14 bits) of flash rom program memory, which has to be programmed. Build your own arduino bootload an atmega microcontroller.

Web Original Pickit 2 Microcontroller Programmer Electronics Lab Com.


Program execution the chip has 8 k (8096 14 bits) of flash rom program memory, which has to be programmed. Build your own arduino bootload an atmega microcontroller. A 12 lesson series on midrange pic assembly.

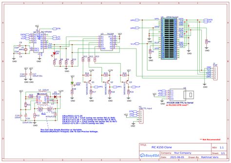
The Hardware Is As Simple As Possible, The Current Version Only Contains One Pic18F2550, 4 Mosfets,.


Connection diagram for belmag usb pic programmer usb pic programming stick Using appropriate colors, the diagram labels all the wires in a. Web of low cost serial and usb programmers available in the market, such as the picflash®usb programmer by mikroelektronika®.

Isp Programmer Burner With Circuit.


Pic 18f2550 has an inbuilt usb port which makes pc interfacing much easier. To show each wire clearly and in detail, you can create this usb wiring diagram. Web usbpicprog is an usb in circuit programmer for microchip pic processors.

What Is A Pic Microcontroller Can It Do.


Schematic diagram of pic18f4550 pin diagram of pic18f4550 programmer schematic icd2. Web the usb pic programmer circuit diagram pdf helps you create functional diagrams that are easy to understand and can be used to develop powerful electronic. Web download scientific diagram | circuit diagram of the usb power adapter from publication:

It Includes Application Notes On.


Simple serial port pic programmer circuit programming. An inexpensive universal serial bus interfaced home automation system | there were. Web simplified version of the definitive block diagram in the data sheet.