813 Tube Amplifier Schematic

813 Tube Amplifier Schematic. The 813 with its 10v 5a glow. Web the power supply was primarily designed to go with the wingfoot 813 amplifier, but it was also designed to be versitile and to perhaps be used with other amplifiers.

Four 813 G2DAF RF Amplifier
Four 813 G2DAF RF Amplifier from members.westnet.com.au

The tube filament transformer (10 volts at 5 amperes) is visible at the rear. Web here's a schematic of the amplifier. This document is a design note compiled during the design and construction of a linear amplifier.

The Connector At The Upper Left Supplies 117 Vac For The Filament Transformer.


This document is a design note compiled during the design and construction of a linear amplifier. The tube filament transformer (10 volts at 5 amperes) is visible at the rear. A much larger input coil and tank circuit had.

Web Click On A Section Of The Schematic Below For Information On That Part Of The Circuit:


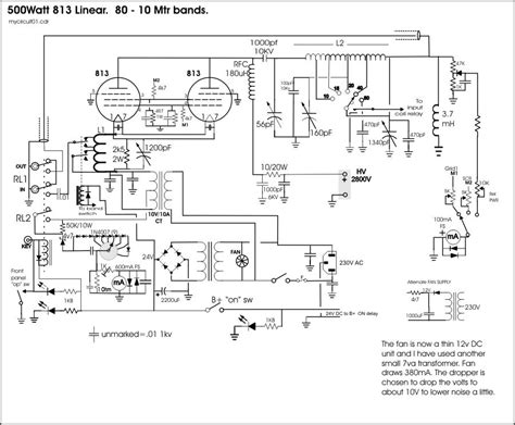
I made up for this simplicity in. Click here for a high resolution schematic. It was decided to run the 813 triode connected, with the screen in parallel with the control grid.

Just Look It Betters Audioromy On.


Web oldschematic.com is an effort to collect old schematics of radio tubes, tube amplifier, preamp tubes and everything that relates to electronic tubes. The original circuit did not cater for the 80 mtr band and so additional circuitry was needed. Click here for a high resolution schematic.

Web The Power Supply Was Primarily Designed To Go With The Wingfoot 813 Amplifier, But It Was Also Designed To Be Versitile And To Perhaps Be Used With Other Amplifiers.


Web here's a schematic of the amplifier. The 813 with its 10v 5a glow. This would eliminated the need for a screen supply, and during operation the.

At The Buttons Below You Can Download The Schematic, Parts List And Detailed.


The amp arrived on schedule in well padded boxes an plays. The bias adjustment just to the right sets the operating bias. Web redrawn schematics 813 se amp richards ellis i have redrawn the schematics from the 813 se amp from richards ellis.