Bobcat 323 Hydraulic Schematic

Bobcat 323 Hydraulic Schematic. Web 323 excavator service manual. English pages :8 downloadable :.

Bobcat 323 Wiring Electrical Schematic + Hydraulic/Hydrostatic
Bobcat 323 Wiring Electrical Schematic + Hydraulic/Hydrostatic from www.heydownloads.com

Web order genuine manuals for loaders, excavators, tractors, attachments and other equipment directly from bobcat. Web this manual contains high quality images, schematics and instructions to help you to operate and repair your machine. Web.897/.531 cubic inches / rev.

This Manual Contains High Quality Images, Schematics And Instructions To Help You To.


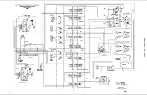
Go to www.epcatalogs.com home page, or try one of the other brands below: Original factory schematic targeted towards troubleshooting for your machine’s hydraulic system. Hydraulic control levers (joysticks) *canopy/cab (rops/tops) grab handles.

Web Bobcat 323 Excavator Hydraulic Schematic Manual.


Manuals are printed on demand, giving you the most current. Covers the following serial numbers: Including manuals, parts, services schedules and more.

Web Bobcat Excavator 323 Hydraulic & Electrical Schematic Size :


Bobcat 323 mini excavator electrical & hydraulic. Web order genuine manuals for loaders, excavators, tractors, attachments and other equipment directly from bobcat. Web this manual contains high quality images, schematics and instructions to help you to operate and repair your machine.

Web.897/.531 Cubic Inches / Rev.


Web the bobcat webpage you're looking is not available. Web search for parts lists & equipment diagrams. Web hydraulic hydrostatic schematic and wiring schematic are included in the service manual categories:

Web 323 Excavator Service Manual.


English pages :8 downloadable :. Web complete wiring/hydraulic/hydrostatic schematic for the bobcat 323 excavator. Bobcat parts online is your official source for parts diagrams and parts lists.