Boss Ge 7 Schematic

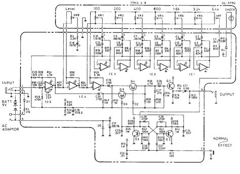
Boss Ge 7 Schematic. If you want to contribute, please mail your. Each of the 7 controls adjusts a slightly expanded octave to yield 15db.

Boss GE7 Mods Page 3
Boss GE7 Mods Page 3 from www.freestompboxes.org

We have sent a verification link to to complete your registration. Web boss ge 7 equalizer. Read or download the pdf for free.

We Have Sent A Verification Link To To Complete Your Registration.


This bias is maintained at. Web and in case anyone else is out there scouring the web for answers. Go to monte's and mouser and order the parts.

Web This Is The 1 Pages Manual For Boss Ge 7 Eq (Older) Schematic.


Frequency characteristics of a stock pedal at first i check the frequency characteristic of a pedal with all pots sets to. If you want to contribute, please mail your. If you can't find the email, check your junk/spam folder.

Web Question About Boss Ge7 Schematic « On:


Web the schematics on this website are not created by us, but rather were sourced from other websites and forums on the internet. Web service manual and diagrams of equipment and musical instruments of boss. Web boss ge 7 eq (older) schematic.

Read Or Download The Pdf For Free.


Each of the 7 controls adjusts a slightly expanded octave to yield 15db. Web so, here's the schematic i used for simulations: This is the 1 pages manual for boss ge 7 eq (older) schematic.

If You Want To Contribute, Please Mail Your.


The additional level control knob helps Web boss ge 7 equalizer. 4khz, with a boost/cut 15db per band.